韩剧《我的瑜伽教练》免费,同学聚会妈妈喝醉酒回来,二人世界真人版免费播放

0516-86224832
企业简介
企业荣誉
产品展示
新闻动态
行业资讯
联系方式
 
 
首页 > 产品展示 > GLM系列剩余电流动作断路器
GLM30L-400/□□□□剩余电流动作断路器(数码管显示型)

 

 


一、产品简介

GLM30L-400/□□□□剩余电流动作断路(以下简称断路器),内部由三相四线或三相四极智能电子过流型断路器组成。产品具有漏电、电子过流、短路保护功能;留有RS-485通信接口,可实现远程控制,工作电流在400A以下的智能型电力负荷开关。

产品符合GB14048.2等标准的要求。支持DL/T645多功能电能表通信协议。

 产品有电动操作和手柄操作两种供用户选择。

二、产品用途

产品用于额定电压380V/50Hz工作电流在400A以下,三相四线、三相三线动力及2V单相照明电路中,作人畜接触带电体起间接补充保护使用。产品对供电线路、用电设备有漏电、过载、短路保护作用。产品留有RS-485接口,作为预付费电度表控制开关、各种信息远程控制与传递之用。产品结构可靠,安装方便,适用于工矿企业,移动用电场所,电网转换的多级保护。

 产品在供电线路中根椐需求可作总保护,也可作分路保护。

三、技术参数

3.1额定工作电压:AC 380V   50Hz

3.2额定电流:AC 0A250A315A350A400A(可调)

3.3额定辅助电源电压:AC  2V   50Hz

3.4额定剩余动作电流:AC  50mA 100mA300mA400mA500mA(可调)

3.5额定剩余不动作电流:AC 25mA50mA150mA0mA250mA

3.6额定极限短路分断能力:AC  H50kA      S35kA

3.7额定剩余动作电流分断时间:0.3s0.5s

3.8动作特性:AC

3.9合闸时间: 电动合闸的小于10s;自动重合闸的时间为-60s

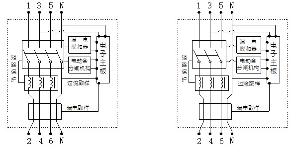
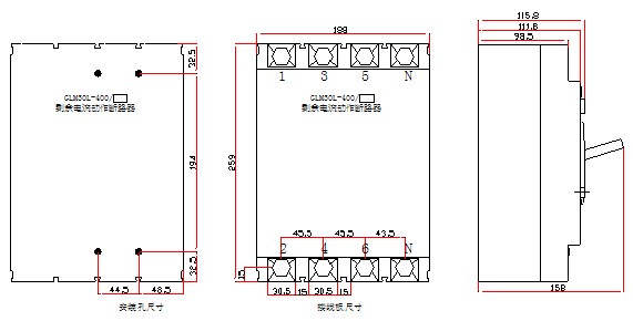
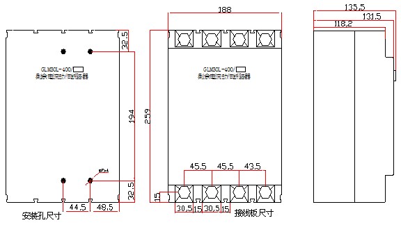
四、产品尺寸与结构

 

手柄操作产品尺寸图

 

电动操作产品尺寸图

 

 

五、工作条件

5.1 适应在环境温度为-5- +40℃;相对湿度<90%;海拔不超过 00米。

5.2 断路器应安装在干燥、通风、防尘、防止有害气体、远离磁场、防止震动、太阳直晒,雨水侵蚀,固定在一定高度便于操作的地方。

六、安装断路器

6.1 请参照断路器接线图接线。

6.2 断路器应垂直安装,严禁水平或倒置安装,用螺钉通过安装孔固定。

6.3 产品上侧135N为电源进线侧,分别对应相线C BA和电源中性线(零线)N,下侧246N为负载侧接线。

6.4 电源进出线应选用足够面积的过渡接线装置或导线(导线截面积:0A>50mm2 400A>100mm2 ),进出导线的绝缘电压大于500V,以满足断路器及用户负载的使用要求。

6.5  接线螺丝力度要适度,以防止接线螺丝松动,烧坏接线端装置。

七、功能介绍与操作使用

7.1 三个断开指示,显示断路器的内部工作状态,弹出为断开,吸入为接通。

7.2 手动断开:在无辅助电源或电源电压有故障及其它紧急情况下,强行按手动断开按钮,开关能迅速断开。(注:电动操作型同时应将断路器面板电上的源开关置于断开位置,防止由于电源停电复送电造成二次合闸)。

7.3断路器正面两只指示灯作用:

电源接通(绿灯)――指示灯亮表示供电侧电源接通;

合闸送电(红灯)――指示灯亮表示断路器,经手动或电动合闸后,断路器内部开关已接通并向负载送电。

7.4 漏电试验按钮:用来对断路器施加一定量的漏电电流,验证断路器是否可靠动作。

7.5剩余动作电流设定:旋转面板上剩余电流动作设定(mA)旋转开关,手柄上的箭头所指定位点参数即为设定的剩余电流动作值;

7.6工作电流设定:旋转面板上工作电流设定(A)旋转开关,手柄上的箭头所指定位点参数即为设定的工作电流值。

7.7内藏三个功能拨动开关:

①漏电保护退出:当保护器内藏开关拨到退出位置,保护器无漏电保护功能,只做过流及短路保护用。

 注意:退出功能供专业人员在检修电路故障时使用外,其他人员请勿使

用此功能。

②过流退出选择:当保护开关拨到退出位置, 保护器无过电流保护作用,只作漏电及短路保护用。

③分断时间0.3s0.5s选择:断路器检测到剩余电流到断路器分断的时间选择0.3s0.5s,合理的选择分断时间可以避免断路器的越级动作。

7.8主要工作状态描述:①自动跟踪的投入与退出:当断路器面板上剩余电流动作设定(mA)旋转开关手柄箭头指向自动跟踪时,漏电保护的整定值将根据线路的实际情况在50mA500mA自动调整,若手柄箭头转离此处则自动跟踪功能退出,剩余电流动作值遵循手动设定值。(详见附录A)

②通信的投入与退出:当断路器面板上工作电流设定(A)旋转开关手柄箭头指向通信投入时,断路器的剩余电流动作值及工作电流设定值将按通过RS485通信设置的参数运行,旋转开关设置无效。若手柄箭头转离此处则通信功能退出。

7.9两组数码管:显示断路器工作状态及故障代码。(详见附录B

7.10送电、试验

7.101 经检查接线无误后方可送电试验,接通供电侧电源,断路器面板上的电源接通灯亮,再经手动或电动合闸后,三个断开指示自动吸入,其断路器内部已接通(此时应能听到“啪”的一声合闸声),送电合闸灯亮,并向负载侧送电。

7.102试验:。

▲ 电动操作型轻按漏电试验按钮、断路器应立即分断经-60 s重合闸后,5内再按漏电试验按钮,断路器应立即分断并闭锁.不再自动重合。

▲ 手柄操作型: 轻按漏电试验按扭、断路器立即分断并显示闭锁

7.11 产品在按规程安装送电试验正常后,应将功能开关盖板用封签封上,非专业人员不得擅自打开。

八、敬告

8.1本产品功能选择请按GB13955-05《剩余电流动作保护装置安装和运行》或DL/T499-01《农村低压电力技术规程》中相关要求使用。

8.2请您严格按照相关规程对本断路器进行安装、试验、使用,并定期定量试验,(建议一周作一次以上试验,并作书面记录),新安装的剩余电流断路器、需要专用的剩余电流动作断路器测试仪,进行测试(本产品漏电的动作特性受供电线路质量影响,测试时要加以注意)。发生异常情况,请查清是供电线路故障,还是断路器故障,如是断路器故障,应更换正常的断路器。

8.3本产品在电网中作总保护和分路保护使用,对人畜在地上接触带电体作间接补充保护。人畜在零线与火线,火线与火线间触电不起保护作用。

8.4 应经常检查接线是否牢固,以防松动烧坏接线装置及断路器。

8.5 N线严禁漏接或错接,严禁跨越断路器接线,严禁在负载N侧重复接地。

8.6需要检修线路时,将断路器的电源开关置于断开位置,确认断路器内部开关断开后。再用万用表或其他方式测试负载侧有无电压,并做好接地。方可进行。

8.7 断路器的辅助电源AC2V接在断路器内部的3N线上,检修时断路器的3N,可供AC2V电源,进行验证断路器的相关性能。

8.8 断路器如有异常现象,要及时退出运行,交有资质的人员维修正常后再使用。

8.9非专业人员请勿擅自打开断路器。如需检修,请将产品交与专业人员维护。请保护好合格证,以便追溯;本产品自售出后一年内,确因质量问题,本公司实行三包。

8.10由于火灾、雨水侵蚀、雷击、地震、外力撞击,电压异常、断路器接线错误,接线松动造成烧坏接线端装置等以上非质量原因造成的产品损坏,本公司不提供产品退换,提供维修,三包期过后本公司仍负责维修服务,本公司收取相关费用。

附录A:自动跟踪定档功能描述

▲ 手柄操作型:断路器合闸送电后,若自动跟踪定档功能由退出调整为投入内部微处理器自动设定剩余动作电流动作值为500mA档位上。此时微处理器CPU继续对供电线路剩余电流进行检测,并自动跟踪定档。判断剩余电流大小换档的条件如下:

当供电线路中的剩余电流大于等于0mA且持续12分钟时,断路器保护电流自动设定为500 mA动作;

当供电线路中的剩余电流小于0mA且大于等于150mA且持续12分钟时,断路器保护电流自动设定为400 mA动作;

当供电线路中的剩余电流小于150mA且大于等于100mA且持续12分钟时,断路器保护电流自动设定为300 mA动作;

当供电线路中的剩余电流小于100mA且大于50mA且持续12分钟以时,断路器保护电流自动设定为0 mA动作;

当供电线路中的剩余电流小于50mA且持续12分钟时,断路器保护电流自动设定为100 mA动作。

①当被保护的供电线路上剩余电流突然增加至设定的动作值时,断路器立即分闸切断供电线路,此时断路器闭锁。

②若线路剩余电流缓慢增加到剩余电流动作值之间(小于动作值)的范围且持续12分钟,断路器的剩余电流动作值档位会自动上升,直到为止;反之若线路剩余电流减小,断路器的剩余电流动作值档位也会自动下降,直到低档为止。

▲电动操作型1、断路器合闸送电后,若自动跟踪定档功能由退出调整为投入内部微处理器自动设定剩余动作电流动作值为50mA档位上.判断剩余电流大小换档的条件同上。

2、当被保护的供电线路实际剩余电流突然增加至设定的动作值时,断路器立即分闸切断供电线路,同时内部CPU根据此次动作值调升剩余电流档位。经-60 s后断路器自动重合闸,合闸后如果线路中实际剩余电流小于设定值则正常供电,如果此时剩余电流实际值仍大于设定动作值或在5秒内突加一个比调整后的设定动作值大的剩余电流,断路器分闸并闭锁,不再重合闸。

 

  产品使用接线图

附录B:数码管显示说明:

 

B.1断路器运行参数显示说明:

 

B.2故障代码:http://180.178.38.254

联系我们
 
0516-86224832
pzgldq@163.com
江苏省邳州市邳新路58号
江苏国龙电气有限公司关键词: 国龙电器 剩余电流保护器 剩余电流断路器 漏电断路器
Copyright © 2011-2021 江苏国龙电气有限公司 All Rights Reserved. 手 机:13705222556 电 话:0516-86224832 地 址:江苏省邳州市高新技术产业开发区邳新路58号
技术支持:徐州慧网
主站蜘蛛池模板: 洛扎县| 夏津县| 英山县| 焉耆| 井研县| 开阳县| 通城县| 定日县| 潮州市| 外汇| 砀山县| 工布江达县| 温泉县| 富裕县| 沧州市| 增城市| 夹江县| 桐城市| 安西县| 新昌县| 西华县| 兰坪| 翁牛特旗| 卢湾区| 新丰县| 孟连| 周至县| 大城县| 绥滨县| 江都市| 哈巴河县| 鄂尔多斯市| 商都县| 平凉市| 平遥县| 什邡市| 介休市| 锡林郭勒盟| 乡城县| 华蓥市| 祥云县|