韩剧《我的瑜伽教练》免费,同学聚会妈妈喝醉酒回来,二人世界真人版免费播放

0516-86224832
企业简介
企业荣誉
产品展示
新闻动态
行业资讯
联系方式
 
 
首页 > 产品展示 > GLM系列剩余电流动作断路器
GLM6L-630/ □3NZC剩余电流动作断路器使用说明(液晶显示型)

GLM6L-630/ □3NZC剩余电流动作断路器
使用说明(液晶显示型)

  一、产品简介

  GLM6L-630/□3NZC剩余电流动作断路器(以下简称断路器),内部由三相四线或三相四极智能电子过流型断路器组成。产品具有漏电、电子过流、短路保护功能;留有RS-485通信接口,可实现远程控制,工作电流在630A以下的智能型电力负荷开关。

  产品符合GB14048.2等标准的要求。通信规约参照DL/T645多功能电能表通信协议而制定。

  合分闸方式有电动自动操作和手柄辅助操作两种供用户选择使用。

  二、产品用途与型号解释

  产品用于额定电压AC380V/50Hz工作电流在630A以下,三相四线、三相三线动力及2V单相照明电路中,作人畜接触带电体起间接补充保护使用。产品对供电线路、用电设备有漏电、过载、短路起到保护作用。产品留有远控接口,作为预付费电度表控制开关、各种信息远程控制与传递之用。产品结构可靠,安装方便,适用于工矿企业,移动用电场所,电网转换的多级保护。

  产品在供电线路中根椐需求可作总保护,也可作分路保护。

  三、技术参数

  3.1额定工作电压: AC 380V 50Hz

  3.2 额定电流: AC630A (250A、315A、400A、500A、630A)可调

  3.3额定辅助电源电压: AC 2V 50Hz

  3.4 额定剩余动作电流: AC 50mA、100mA、0mA、300mA、400mA、500mA

  600mA、 800mA 、1000mA (可调)

  3.5额定剩余不动作电流: AC 25mA、50mA、100mA、150mA、0mA、250mA

  300mA、400mA、500mA

  3.6额定短路分断能力: H型65kA S型35KA

  3.7额定运行短路分断能力: H型50kA S型30KA

  3.8额定剩余动作电流分断时间: 0.3s S型 0.5s

  3.9 动作特性: AC型

  4.0合闸时间: 电动合闸的小于s;自动重合闸的时间为-60s;

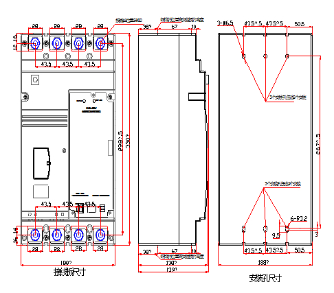
  四、产品尺寸与结构

  三相四线结构示意图

  五、工作条件

  5.1 适应在环境温度为-5℃- +40℃;相对湿度<90%;海拔不超过 00米。

  5.2 断路器应安装在干燥、通风、防尘、防止有害气体、远离磁场、防止震动、太阳直晒,雨水侵蚀,固定在一定高度便于操作的地方。

  六、安装断路器

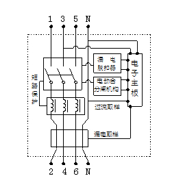
  6.1 请参照断路器接线图接线。

  6.2 断路器应垂直安装,严禁水平或倒置安装,用螺钉通过安装孔固定。

  6.3 产品上侧1、3、5、N为电源进线侧,分别对应相线A、 B、C和电源中性线(零线)N,下侧2、4、6、N为负载侧接线。

  6.4 电源进出线应选用足够面积的过渡接线装置或导线(导线截面积:630A≥150mm2 ),进出导线的绝缘电压大于500V,以满足断路器及用户负载的使用要求。

  6.5 接线螺丝安装力度要适度,以防止接线螺丝松动,烧坏接线端装置。

  七、功能介绍与操作使用

  7.1 一个断开指示(黄色小方块),显示断路器的内部工作状态,弹出为断开,吸入为接通。

  7.2 手动断开:在无辅助电源或电源电压有故障及其它紧急情况下,强行按手动断开按钮,开关能迅速断开。同时应将断路器面板上的电源开关置于断开位置,防止由于电源停电复送电造成二次合闸。

  7.3断路器正面两只指示灯作用:

  电源接通(绿灯)――指示灯亮表示供电侧电源接通;

  合闸送电(红灯)――指示灯亮表示断路器,经手动或电动合闸后,断路器内部开关已接通并向负载送电。

  7.4 漏电试验按钮:用来对断路器施加一定量的漏电电流,验证断路器是否可靠动作。

  7.5 按键及功能描述:(详见附录A)

  :进入参数设置界面及对操作进行确认;

  : 产品运行参数查询及设置参数时进行功能切换;

  :对产品进行参数设置时对目标参数进行调整或帮助界面的切换显示。

  7.6 主要工作状态描述:

  ①漏电保护的投入与退出:当断路器漏电保护设置为退出,剩余电流超过设定值后断路器不分闸,只作过流及短路保护用

  注意:退出功能供专业人员在检修电路故障时使用外,其他人员请勿使用此功能。

  ②过流保护的投入与退出:当断路器过流保护设置为退出,工作电流超过设定值后断路器不分闸只作漏电及短路保护用。

  ③分断时间300ms、500ms选择:断路器检测到剩余电流到断路器分断的时间选择300ms、500ms,合理的选择分断时间可以避免断路器的越级动作。

  ④自动跟踪的投入与退出:当断路器自动跟踪设置为投入时,漏电保护的整定值将根据线路的实际情况自动调整,剩余电流的动作值将不再遵循设定的剩余电流档位,若退出无此功能,剩余电流动作值遵循手动设定值。(具体操作详见附录B)

  ⑤远程控制的投入与退出:当断路器的远程控制设置为投入时,断路器具有远程控制功能。

  6缺相保护投入与退出:当断路器的缺相保护设置为投入时,断路器具有缺相保护功能。

  7.7手动合分闸

  7.7.1 剩余电流动作断路器手动合闸操作

  手动用约10N的力上下重复扳动剩余电流动作断路器辅助合分闸手柄数次,直至听到“呯”的一声断开指示吸入、断路器内部接通。

  注:手动合闸时,将手柄前推、后拉;听到合闸声,即停止向前扳动;否则会出现分闸或其它现象。

  7.7.2剩余电流动作断路器手动分闸操作

  (1)直接按手动断开按钮、听到“呯”的一声、断开指示弹出,即剩余电流动作断路器内部断开。

  (2)手动用约10N的力上下重复扳动剩余电流动作断路器辅助合分闸手柄数次,直至听到“呯”的一声断开指示弹出、即剩余电流动作断路器内部断开。

  7.8自动合闸

  经检查接线无误后方可送电试验,接通供电侧电源,断路器面板上的电源接通灯亮,再接通断路器上的合分闸开关、约s电动合闸后,断开指示自动吸入,(应能听到“呯”的一声合闸声)其断路器内部已接通,送电合闸灯亮,并向负载侧送电。

  7.9试验:

  ▲ 经手动或电动合闸后:轻按漏电试验按钮、断路器应立即分断经-60 s重合闸后,5秒内再按漏电试验按钮,断路器应立即分断并闭锁.不再自动重合。

  7.10 产品在按规程安装送电试验正常后,非专业人员不得擅自打开。

  八、敬告

  8.1本产品功能选择请按GB13955-05《剩余电流动作保护装置安装和运行》或DL/T499-01《农村低压电力技术规程》中相关要求使用。

  8.2请您严格按照相关规程对本断路器进行安装、试验、使用,并定期定量试验,(建议一周作一次以上试验,并作书面记录),新安装的剩余电流断路器、需要专用的剩余电流动作断路器测试仪,进行测试(本产品漏电的动作特性受供电线路质量影响,测试时要加以注意)。发生异常情况,请查清是供电线路故障,还是断路器故障,如是断路器故障,应更换正常的断路器。

  8.3本产品在电网中作总保护和分路保护使用,对人畜在地上接触带电体作间接补充保护。人畜在零线与相线,相线与相线间触电不起保护作用。

  8.4 应经常检查接线是否牢固,以防松动烧坏接线装置及断路器。

  8.5 N线严禁漏接或错接,严禁跨越断路器接线,严禁在负载N侧重复接地。

  8.6需要检修线路时,将断路器的电源开关置于断开位置,确认断路器内部开关断开后。再用万用表或其他方式测试负载侧有无电压,并做好接地。方可进行。

  8.7 断路器的辅助电源AC2V接在断路器内部的3、N线上,检修时断路器的3、N.可供AC2V电源,进行验证断路器的相关性能。

  8.8 断路器如有异常现象,要及时退出运行,交有资质的人员维修正常后再使用。

  8.9非专业人员请勿擅自打开断路器。如需检修,请将产品交与专业人员维护。请保护好合格证,以便追溯;本产品自售出后一年内,确因质量问题,本公司实行三包。

  8.10由于火灾、雨水侵蚀、雷击、地震、外力撞击,电压异常、断路器接线错误,接线松动造成烧坏接线端装置等以上非质量原因造成的产品损坏,本公司不提供产品退换,提供维修,三包期过后本公司仍负责维修服务,本公司收取相关费用。

  附录A:人机操作界面介绍

  A.1开机界面              A.2 正常运行界面

  A.3 故障显示界面(示例)

   

  A.4 运行参数查询界面

  查询方法:在运行界面或故障界面下按【功能选择】键进入运行参数查询界面1,在此界面状态下再次按【功能选择】键进入运行参数查询界面2,再次按【功能选择】键切换至运行参数查询界面1,按【设置/确认】键或10s后自动恢复到原始界面。

  A.5 运行参数设置界面

  设置方法:在运行界面或故障界面下按【设置/确认】键进入运行参数设置界面1,此时第1行的“过流保护”状态文字为反白显示,表示此时选中了该行设置的内容,按【功能选择】键可切换至下一行的设置内容,若切换至第4行再按【功能选择】键可切换至运行参数设置界面2;选中目标设置内容后按【参数调整↑】或【参数调整↓】键进行参数调整,设置完所有运行参数后按【设置/确认】键对设置操作进行确认修改或取消修改。

  A.6 帮助信息查询界面

  查询方法:在运行界面或故障界面下按【参数调整↑】或【参数调整↓】键进入运行参数设置界面,再次按这两个键中的任意一个,可在3页帮助界面之间进行切换,帮助信息阅读后按【设置/确认】键或10s后自动切换回原始界面。

  备注:对【设置/确认】、【功能选择】、【参数调整↑】及【参数调整↓】键的操作均有蜂鸣器的短鸣作为操作的确认,每次操作请确认后在进行下一步的操作,在进入任何查询或设置界面若10s内无任何操作CPU自动切换回运行界面或故障界面。

  人机操作界面使用举例:

  ① 查询剩余电流档位:

  在正常运行界面或者故障显示界面下按【功能选择】键,进入运行参数查询界面,此时界面显示的内容为过流保护、漏电保护、自动跟踪及突变保护投入或退出状态,再次按【功能选择】键时即可显示下页运行参数,包括剩余电流档、分断时间、工作电流档及通信地址。若剩余电流档位显示为[剩余电流档:H.300]表示此时自动跟踪退出且剩余电流档位为手动300mA;若剩余电流档位显示为[剩余电流档:A.100]表示此时自动跟踪定档投入且自动跟踪定档100mA。

  ② 设置工作电流档位为315A:

  在正常运行界面或者故障显示界面下按【设置/确认】键,进入运行参数设置界面,此时界面显示的内容为过流保护、漏电保护、自动跟踪及突变保护投入或退出状态并且过流保护的状态显示为反显,表示此时选中的设置内容为过流保护的状态,此时按【功能选择】键将选中的内容切换至工作电流档,然后按【参数调整↑】或【参数调整↓】调整工作电流档位值到315A,接着按【设置/确认】弹出参数设置确认界面,后根据提示按【设置/确认】键进行参数设置的确认。

  附录B:自动跟踪定档功能描述

  ▲1、 断路器合闸送电后,若自动跟踪定档功能由退出调整为投入内部微处理器自动设定剩余动作电流动作值为50mA档位上。此时微处理器CPU继续对供电线路剩余电流进行检测,并自动跟踪定档。判断剩余电流大小换档的条件如下:

  当供电线路中的剩余电流大于等于0mA且持续1~2分钟时,断路器保护电流自动设定为500 mA动作;

  当供电线路中的剩余电流小于0mA且大于等于150mA且持续1~2分钟时,断路器保护电流自动设定为400 mA动作;

  当供电线路中的剩余电流小于150mA且大于等于100mA且持续1~2分钟时,断路器保护电流自动设定为300 mA动作;

  当供电线路中的剩余电流小于100mA且大于50mA且持续1~2分钟以时,断路器保护电流自动设定为0 mA动作;

  当供电线路中的剩余电流小于50mA且大于25mA且持续1~2分钟以时,断路器保护电流自动设定为100 mA动作;

  当供电线路中的剩余电流小于25mA且持续1~2分钟时,断路器保护电流自动设定为50mA动作。

  2、当被保护的供电线路实际剩余电流突然增加至设定的动作值时,断路器立即分闸切断供电线路,同时内部CPU根据此次动作值调升剩余电流档位。经-60 s后断路器自动重合闸,合闸后如果线路中实际剩余电流小于设定值则正常供电,如果此时剩余电流实际值仍大于设定动作值或在5秒内突加一个比调整后的设定动作值大的剩余电流,断路器分闸并闭锁,不再重合闸。

  产品使用接线图

  地址:江苏省邳州市邳新路58号

  电话:0516-86224832

  传真:0516-86253059

  邮编:221300

  http://195ryv.cn

  http://pzgldq.cn.alibaba.com

  E-mail:pzgldq@163.com

630yj.doc

联系我们
 
0516-86224832
pzgldq@163.com
江苏省邳州市邳新路58号
江苏国龙电气有限公司关键词: 国龙电器 剩余电流保护器 剩余电流断路器 漏电断路器
Copyright © 2011-2021 江苏国龙电气有限公司 All Rights Reserved. 手 机:13705222556 电 话:0516-86224832 地 址:江苏省邳州市高新技术产业开发区邳新路58号
技术支持:徐州慧网
主站蜘蛛池模板: 西乌珠穆沁旗| 育儿| 布尔津县| 苏州市| 闻喜县| 南江县| 高唐县| 赤城县| 建湖县| 襄城县| 东乡族自治县| 滨州市| 象州县| 文登市| 固镇县| 大安市| 东山县| 六枝特区| 徐汇区| 成安县| 德钦县| 西宁市| 远安县| 云梦县| 涡阳县| 瓮安县| 平利县| 泽州县| 微山县| 桐乡市| 池州市| 元朗区| 确山县| 兰考县| 宁波市| 新巴尔虎右旗| 叙永县| 阿拉尔市| 鸡东县| 盱眙县| 隆尧县|